设为首页
|
加入收藏
首页
关于万邦
公司简介
致客户词
荣誉证书
企业网上亮照
FRWS v9.0 使用手册HUW(同济启明星软件word)
HUW施工
HUW工法施工案例
HUW工法自动定位架
HUW材料租赁
HUW工法仓库材料出租
产品说明
视频中心
联系我们
点击搜索
切换导航
首页
关于万邦
HUW施工
HUW材料租赁
产品说明
视频中心
联系我们
产品说明
公司简介
致客户词
荣誉证书
企业网上亮照
FRWS v9.0 使用手册HUW(同济启明星软件word)
产品说明
首页
>
产品说明
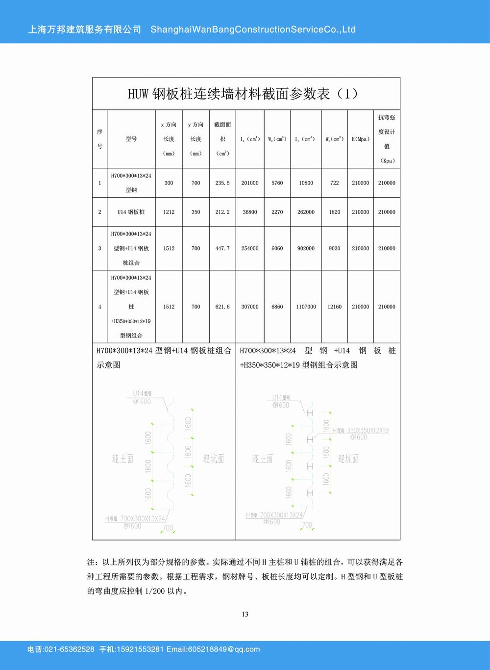
2020年HUW工法绿色基坑围护说明书
2020-06-02 点击次数:1553
电话
消息
二维码
分享